havven Skrevet 23. mai 2008 Skrevet 23. mai 2008 (endret) Poster her jeg når jeg ikke fant noe annet som passa.. Har ett problem jeg, har virkelig ingen peiling på elektro, skulle bytte en bryter her om dagen og trudde jo detta var null stress. Men nå har jeg 93V i ganger å det funker jo dårlig.. Jeg tar det i detalj jeg (det jeg kan av ord å uttrykk hvertfall) Tilførselen komer fra en stikkontakt i stua, Den ser ut til å ha 230V da lampa lyser som den skal, PÅ bryteren måler jeg 230 volt når jeg kolber det i serie altså L og N på samme "klemme" men da slår ikke lampa som bryteren er til seg på.. å jeg får også 93 volt i resterende stikk å punkter i resten av kursen.. Når jeg kobler L og N paralelt eller hva det blir for no, ( den ene L`n inn på L og den andre som går videre på motsatt side, med en pil på koblingspunktet så kan jeg slukke og tenne lampa på rommet, men jeg har fortsatt 93 volt i resterende deler av kurs. Lampa på rommet reagerer til og med på at jeg trykker inn og ut lysbryteren til lampa i gangen som er på samme kurs.. Tenker jeg logisk så burde det være no krims krams med bryteren her:p Men jeg har virkelig ikke peiling på sånt.. Håper noen skjønner og kan hjelpe meg=) Endret 23. mai 2008 av havven
kpolberg Skrevet 23. mai 2008 Skrevet 23. mai 2008 Du har vel egentlig besvart spm ditt veldig godt selv. Når bakgrunnskunnskapene dine er så dårlige at andre ikke helt får med seg hva som er hva. Da er det nok like greit å betale elektrikeren de pengene han skal ha for å fikse det.
just-_-me Skrevet 23. mai 2008 Skrevet 23. mai 2008 sånn som det høres ut for meg, så har du kobla brun (L) og blå (N) sammen?? Det må jo bli kortslutning... merkelig... Nei, betaler heller noen som kan det, for og hjelpe deg, evt. spør en elektrikker-kompis
havven Skrevet 26. mai 2008 Forfatter Skrevet 26. mai 2008 Har ikke koblet L og N sammen nei. Det er snakk om og bytte en bryter, regner med det er en del som kan det, kanskje bare forklaringa mi som ikke henger helt på greip
ThorB Skrevet 26. mai 2008 Skrevet 26. mai 2008 Har ikke koblet L og N sammen nei. Det er snakk om og bytte en bryter, regner med det er en del som kan det, kanskje bare forklaringa mi som ikke henger helt på greip trur det hadde vært en fordel å tegne ned hva du har gjort. men som alle andre sier her så trur jeg at å bestille en elektriker hadde vært det smarteste og enkleste å hvorfor måtte du bytte den brytern?
Andrull Skrevet 26. mai 2008 Skrevet 26. mai 2008 Har har nok sine grunner. De færreste bytter brytere på måfå.
ThorB Skrevet 26. mai 2008 Skrevet 26. mai 2008 Har har nok sine grunner. De færreste bytter brytere på måfå. vet nå aldri. kanskje den var gått ut av mote
Zeph Skrevet 26. mai 2008 Skrevet 26. mai 2008 Dette forsto eg fantastisk lite av, om du absolutt skal gjere jobben sjølv må du forklare litt betre, gjerne med bilete. Eg vil derimot ikkje anbefale at du gjer noko som helst meir, du har som du seier null peiling og det kan gå ut over liv og helse. Straumgjennomgang kan føre til dødsfall, for ikkje å snakke om brannfaren. Det er ikkje utan grunn at det kreves utdanning og årlege sikkerhetskurs for å jobbe med straum. Det er ikkje det same som å spikre opp veggplater. Få tak i ein elektriker så er du sikker på at jobben blir riktig gjort, det blir i tillegg godkjent. Alt arbeid du utfører på elektrisk installasjon er ikkje godkjent. Skulle huset brenne ned og forsikringsselskapet finne ut at du hadde tukla med det elektriske anlegget og sannsynlegvis vore årsaken til brannen er dei ikkje mykje villige til å åpne lommeboka.
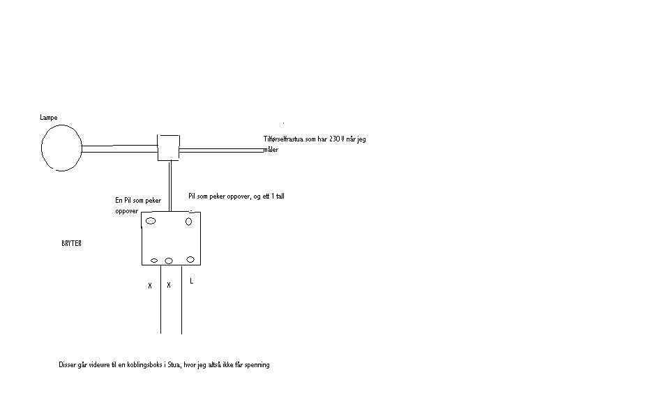
havven Skrevet 27. mai 2008 Forfatter Skrevet 27. mai 2008 Prøver å Gjøre det litt enklere. 1. Jeg har en stikkontakt i stua hvor tilf kommer fra, der måler jeg 230V 2. Denne går til en koblingsboks på sover rommet, som går videre til lampe og bryter. 3. På kabelen til bryteren måler jeg 234V ¤. problemet er altså, hvordan koble for og både få 230 V videre i kursen, og kunne slå av og på lampa? Hittil har jeg jo bare fått 230 Mellom L og N på bryteren men ikke videre i kurs, jeg har også fått tent lampa av og på men da får jeg 93 volt i resterende kurs.. La med en tegning, vet ikke hvor masse den hjelper men.. Trenger kanskje tegning av koblinegene i boksen også? Mvh havven Uten_navn.bmp
nomore Skrevet 27. mai 2008 Skrevet 27. mai 2008 (endret) Er dette en to-polt eller en-polt bryter? Hvordan ser det ut i koblingsboksen? Ved første øyekast ser det for meg ut som om du har koblet alt i serie. Og ja, du burde ringe en elektriker Endret 27. mai 2008 av nomore
Hercules Skrevet 27. mai 2008 Skrevet 27. mai 2008 enig med folket her, ring en elektrikker, du risikerer liv når du tukler med dette. skulle du kople feil slik at får en kraftig jordfeil begynner det virkelig å bli farlig.
Sisyphus Skrevet 27. mai 2008 Skrevet 27. mai 2008 (endret) Hvis du skal ha en strømkurs og en lyskurs på samme kurs i sikringskap er dette kun mulig hvis du tar tilførsel ut før bryter. Dvs at når den kommer til en bryter (antar det er en enpolt, står somregel et 1 tall en plass på innmaten), så vil den kutte spenningen på L og det vil bli ufullstendig krets. Siden det er kun brudd på en av lederene vil dette bety at du oppnår en redusert strøm men dette er fremdeles farlig (alt over 50v vekselstrøm). Elektrikere har som en hovedregel: Farge på arge. Så brun på brun, blå på blå. Her har du koblet inn bryteren før stikkontakten og den vil da kutte L på resten av kursen. Så her må du ta L fra tilførselen og koble den videre på kabelen som går til stikkontakten du vil ha støm på. Ned til bryteren vil det somregel gå en brun og en blå hvis du har en kabel, da vil brun bli fase og blå brudd. Så her må du ta brun og koble den til tilførselen (brun som går til stikk osv) og ta blå (som her er brudd ledningen) og koble den til brun på kabelen som går til lyset. Alle blå skal kobles sammen UNTATT den blå som kommer fra bryteren. Det kan hende hvis det er ledninger i rør at fargene som går til bryteren er brun og svart eller brun og hvit. Da bruker du fremdeles brun som fase og den andre fargen som brudd til lampe. Anbefaler uansett sterkt at du lar en elektriker gjøre slike jobber siden faren for selvskade og skade på hus o.l er høy. De aller fleste branner starter i det elektriske anlegget, så hvis huset ditt brenner ned og du ikke kan fremlegge tegninger og dokumenter fra en godkjent installatør bedrift på alt som er gjort i huset kan forsikrings selskapene kreve regress på deler eller all skade. Et menneske hjerte har en "safe" grense på under 30 mA, på en 230v er det gjerne 10 eller 16 ampere og dette er da altså 300-500 ganger mer strøm en det som skal til for å lage hjerteflimmer. En lysbue mellom 2 faser kan ha en temperatur på 5000 grader og kan i verste fall resultere i permanente sene og muskelskader. Dette er selfølgelig "worst case scenario". Så det er for ditt eget beste at det er forbudt å herje med el anlegget i huset Lykke til uansett. Endret 27. mai 2008 av Bloodwake
havven Skrevet 27. mai 2008 Forfatter Skrevet 27. mai 2008 Jeg er fattig å trenger lys i gang og yttergang.. Men er da såpas forståelsesfull at jeg skrur av sikring og måler før jeg er borti noe som helst. Men tar poenget deres med å leie en elektriker fullt ut! Så hvis jeg har forstått det riktig Skal L som kommer fra stikk På L på bryteren, sammen med den som går videre ut i kursen. Blå fra lampa skal inn på samme klemme som de to? Og blå som går vider ut skal på? Strålende svar forresten bloodwake=)
Sisyphus Skrevet 27. mai 2008 Skrevet 27. mai 2008 Så hvis jeg har forstått det riktig Skal L som kommer fra stikk På L på bryteren, sammen med den som går videre ut i kursen. Blå fra lampa skal inn på samme klemme som de to? Og blå som går vider ut skal på? Blå fra lampa skal inn på blå fra stikk og blå fra tilførsel ja. Blå fra bryter skal på brun til lampe. Brun fra bryter skal inn på brun fra tilførsel og brun fra stikk.
Joney Skrevet 27. mai 2008 Skrevet 27. mai 2008 (endret) Her har du et koblingskjema: (er det mulig lol. en åpenbar feil rettet.) Har ikke tatt hensyn til farger samt har gått utifra at du har brukt en enpolet bryter og at det er en 3leder (+jord) mellom koblingsboksen og bryteren. Valgte ikke El-energi på andreåret, så dette er kun basickunskaper fra VG1. Rett meg om jeg har feil. Anyways. som tidligere nevnt, og som ikke kan nevnes mange nok ganger. Dersom du ikke har peiling og begynner å tukkle med det elektriske anlegget er det veldig lett å gjøre feil. Dersom det oppstår en alvorlig jordfeil og du i tillegg kanskje har en jordfeil på vaskemarskinen, hårføneren, brødristern, osv. som ikke er oppdaget. Kan du ved direkte berøring i verstefall omkomme på stedet. Andre farer med dette er at du ved bruk av feil verktøy f. eks, kan skade isolasjonen nok til at det over tid oppstår varmeutvikkling. Feilaktig avisolering, dårlig kobling er bare to av mange ting du kan gjøre feil slik at det er fare for brann. Hvis du er på jobb, og huset ditt brenner ned pga dårlig arbeid utført av en ufaglært amatør uten fagbrev eller sikkerhetskurs, kan være nok til at huset ikke dekkes på forsikkring. Anbefaller at du får en elektrikker til å fikse det. Endret 27. mai 2008 av Joney
havven Skrevet 28. mai 2008 Forfatter Skrevet 28. mai 2008 Jeg er fattig å trenger lys i gang og yttergang.. Men er da såpas forståelsesfull at jeg skrur av sikring og måler før jeg er borti noe som helst. Men tar poenget deres med å leie en elektriker fullt ut! Så hvis jeg har forstått det riktig Skal L som kommer fra stikk På L på bryteren, sammen med den som går videre ut i kursen. Blå fra lampa skal inn på samme klemme som de to? Og blå som går vider ut skal på? Strålende svar forresten bloodwake=) Jeg har ikke tre leder ned fra koblingsboksen, Kun to.. Jeg har heller ingen separat tilførsel og lampe kabel, Begge disse går inn i boksen over lampa og ned i en felles kabel til bryteren.. Hvor det altså er to ledere. Skal det være tre der?
ThorB Skrevet 28. mai 2008 Skrevet 28. mai 2008 (endret) Jeg er fattig å trenger lys i gang og yttergang.. Men er da såpas forståelsesfull at jeg skrur av sikring og måler før jeg er borti noe som helst. Men tar poenget deres med å leie en elektriker fullt ut! Så hvis jeg har forstått det riktig Skal L som kommer fra stikk På L på bryteren, sammen med den som går videre ut i kursen. Blå fra lampa skal inn på samme klemme som de to? Og blå som går vider ut skal på? Strålende svar forresten bloodwake=) Jeg har ikke tre leder ned fra koblingsboksen, Kun to.. Jeg har heller ingen separat tilførsel og lampe kabel, Begge disse går inn i boksen over lampa og ned i en felles kabel til bryteren.. Hvor det altså er to ledere. Skal det være tre der? du har noe som heter jordleder også. er ikke den der? med den skal det bli 3 ledere i en kabel Endret 28. mai 2008 av ThorB
havven Skrevet 28. mai 2008 Forfatter Skrevet 28. mai 2008 Jeg er fattig å trenger lys i gang og yttergang.. Men er da såpas forståelsesfull at jeg skrur av sikring og måler før jeg er borti noe som helst. Men tar poenget deres med å leie en elektriker fullt ut! Så hvis jeg har forstått det riktig Skal L som kommer fra stikk På L på bryteren, sammen med den som går videre ut i kursen. Blå fra lampa skal inn på samme klemme som de to? Og blå som går vider ut skal på? Strålende svar forresten bloodwake=) Jeg har ikke tre leder ned fra koblingsboksen, Kun to.. Jeg har heller ingen separat tilførsel og lampe kabel, Begge disse går inn i boksen over lampa og ned i en felles kabel til bryteren.. Hvor det altså er to ledere. Skal det være tre der? du har noe som heter jordleder også. er ikke den der? med den skal det bli 3 ledere i en kabel jo, men sånn som han tegna det var det tre ledere + jord
Zeph Skrevet 28. mai 2008 Skrevet 28. mai 2008 Skal du kunne slå av og på lyset med brytaren og samtidig ha konstant straum i stikkontakten så må du ha tre ledningar frå brytaren til koplingsboksen. Ellers vil du kun få ein fase på stikkontakten når brytaren er av.
havven Skrevet 28. mai 2008 Forfatter Skrevet 28. mai 2008 Skal du kunne slå av og på lyset med brytaren og samtidig ha konstant straum i stikkontakten så må du ha tre ledningar frå brytaren til koplingsboksen. Ellers vil du kun få ein fase på stikkontakten når brytaren er av. Okei. da får jeg skaffe meg noen meter med kabel.. takk=)
Anbefalte innlegg
Opprett en konto eller logg inn for å kommentere
Du må være et medlem for å kunne skrive en kommentar
Opprett konto
Det er enkelt å melde seg inn for å starte en ny konto!
Start en kontoLogg inn
Har du allerede en konto? Logg inn her.
Logg inn nå