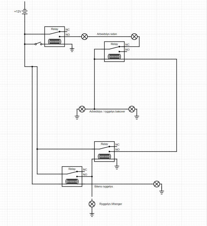
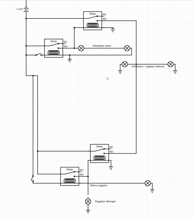
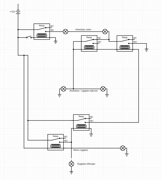
Koble kombinerte rygge- og arbeidslys?
-
Populær nå
-
Russlands invasjon av Ukraina [Ny tråd, les førstepost] 1 2 3 4 4245
Av Gjest Slettet-404071, i Politikk og samfunn
- 84 894 svar
- 7 265 851 visninger
-
-
Hvem er aktive 0 medlemmer
- Ingen innloggede medlemmer aktive

Anbefalte innlegg
Opprett en konto eller logg inn for å kommentere
Du må være et medlem for å kunne skrive en kommentar
Opprett konto
Det er enkelt å melde seg inn for å starte en ny konto!
Start en kontoLogg inn
Har du allerede en konto? Logg inn her.
Logg inn nå