Gå til innhold

Valg av riktig transistor


Kimlorentz

Anbefalte innlegg

Skrevet

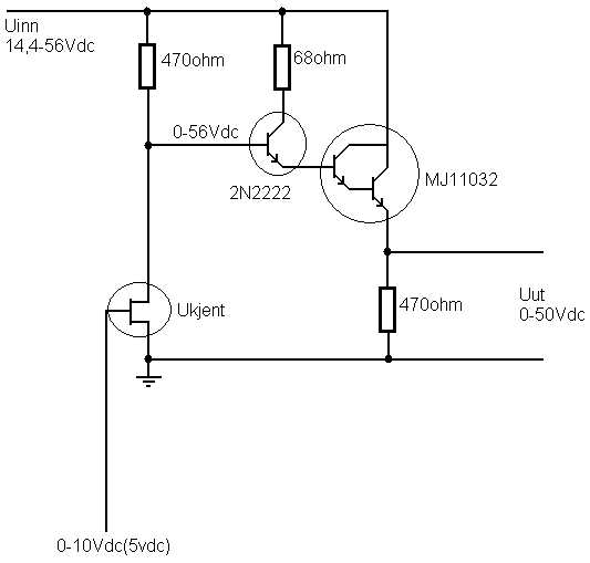
Jeg driver å lage en spesiell strømforsyning og har problemer med å finne en rett type selvledende transitor type MOS-FET eller J-FET.

problemet er at jeg skal ha en styre spenning på 0-5 vdc, ved 0Vdc er transitoren helt åpen, ved 5Vdc er den stengt.

 

Se bildet. Det er en UKJENTE transistoren jeg trenger.

 

pwr_hobby.bmp

Videoannonse
Annonse
Skrevet

Null til 10 volt. Da er det iallefall ikke en jfet du skal bruke da denne benytter en gate-spenning som er mer negativ enn jord.

 

Tenker du kan benytte en mosfet sammens med en spenningsdeler. Det kan tilogmed hende du slipper spenningsdeler, men kun hvis Ugs_max er 10V sharp.

 

MEN, jeg tror strengt tatt du får litt problemer med å kontrollere spenningen med denne løsninga. Anbefaler deg heller å sette en opamp forran fremste transistor (ikke din ukjente) og så bruker du bare utgangen som feedback signal.

Blir akkurat samme prinsipp som ved vanlig spenningsfølger eller evt ikke-inverterende forsterker.

Skrevet (endret)
Null til 10 volt. Da er det iallefall ikke en jfet du skal bruke da denne benytter en gate-spenning som er mer negativ enn jord.

 

Tenker du kan benytte en mosfet sammens med en spenningsdeler. Det kan tilogmed hende du slipper spenningsdeler, men kun hvis Ugs_max er 10V sharp.

 

MEN, jeg tror strengt tatt du får litt problemer med å kontrollere spenningen med denne løsninga. Anbefaler deg heller å sette en opamp forran fremste transistor (ikke din ukjente) og så bruker du bare utgangen som feedback signal.

Blir akkurat samme prinsipp som ved vanlig spenningsfølger eller evt ikke-inverterende forsterker.

 

 

min krets var laget for op-amp, men finner ingen som takler 60vdc.

Det har ikke noe å si om jeg skal bruke pluss spennining eller minus spenning for å styre den ukjente transistoren, jeg trenger kun en som lukker seg gradvis med økende spenning (på samme måte som en MJ11032).

Endret av Kimlorentz

Opprett en konto eller logg inn for å kommentere

Du må være et medlem for å kunne skrive en kommentar

Opprett konto

Det er enkelt å melde seg inn for å starte en ny konto!

Start en konto

Logg inn

Har du allerede en konto? Logg inn her.

Logg inn nå
  • Hvem er aktive   0 medlemmer

    • Ingen innloggede medlemmer aktive
×
×
  • Opprett ny...