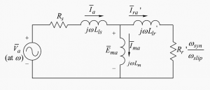
KurtKort Skrevet 23. mars 2016 Skrevet 23. mars 2016 Hei Eg prøver å lære meir om induksjons maskiner, og då har det kome fram nokre spørsmål som eg ikkje finn svar på. Under har eg lagt med eit bilete som viser ekvivalent krets av ein induksjons motor, frå det eg har forstått er denne kretsen kun gyldig når den vært mata med steady state sinusoidal input. Ein kan altså ikkje analysere korleis motoren oppfører seg under transient mode (veit ikkje norsk ord for dette "transient"). Så mitt spørsmål er då kvifor gjeld ikkje denne kretsen i transient mode, kva er det som er neglisjera slik at denne kretsen kun gjeld for steady state sinusoidal inputs? (Ekvivalent krets av ein Induksjons Motor i steady state.) Takk for hjelp.
Twinflower Skrevet 23. mars 2016 Skrevet 23. mars 2016 (endret) I transiente situasjoner vil induktansene oppføre seg annerledes. De er frekvensavhengig, og i transient sammenheng består frekvensen av flere ulike harmoniske og er ikke sinusformet. Kort fortalt. edit: Skjemaet er over er mye brukt, men husk at det også for steady state er forenklet. Du skal ha en slags transformatorekvivalent mellom rotor og stator. En annen ting som inntrer spesielt i transiente situasjoner er paraistiske komponenter. For eksempel kapasitive koblinger mellom viklinger og mellom viking og jord. Der vil det altså gå strøm når spenningen endrer seg raskt. (i_c = C*dV/dt). Det er også induktive elementer her i alle ledende deler; i_l = L*di/dt. Endret 23. mars 2016 av Twinflower 1
arne22 Skrevet 23. mars 2016 Skrevet 23. mars 2016 Tenkte litt på det samme men fant ikke de rette ordene, så det ble ikke noe svar. Her er ellers en link: https://en.wikipedia.org/wiki/Induction_motor
KurtKort Skrevet 23. mars 2016 Forfatter Skrevet 23. mars 2016 (endret) Takker for svar. I transiente situasjoner vil induktansene oppføre seg annerledes. De er frekvensavhengig, og i transient sammenheng består frekvensen av flere ulike harmoniske og er ikke sinusformet. Kort fortalt. Takk, det gjev faktisk meining. Då desse ikkje er sinusforma kan ein altså ikkje bruke "phasors" korrekt? Då "phasor metoden" kun gjeld steady states sinusoidals, ein må då ty til verktøy som t.d. laplace for å løyse slike problem? Og det er derfor ein ikkje får med transients i kretsen ovanfor då ein ofte løyser denne med hjelp av phasors? Kom over ein ekvivalent krets som skal gjelde sjølv for transient mode (sjå bilete under). Det som er annleis her er det som er inne i den raude firkanten. Eg lurer litt på kva dette inne i den raude firkanten representerar? Representerar den raude firkanten den induserte spenninga i rotor grunna relativ bevegelse mellom rotor og roterande magnetfelt i stator, , viss denne påstanden er rett, kvifor er ikkje denne emf'en inkludera i den ekvivalente kretsen for steady state? Endret 23. mars 2016 av KurtKort
KurtKort Skrevet 23. mars 2016 Forfatter Skrevet 23. mars 2016 (endret) youtube video Såg på videoen, trur eg forstod hovudtrekka, har kikka på liknande før. Så viss eg hadde analysert den første kretsen med hjelp av t.d. laplace istadenfor phasors ville eg ha vore istand til å analysere motoren under transient mode? Viss spørsmålet mitt ovanfor stemmer, då kan ein vel analysere ein induksjons motor med hjelp av begge kretsane posta tidlegare i tråden viss ein er interessera i transient oppførsel? Endret 23. mars 2016 av KurtKort
Twinflower Skrevet 23. mars 2016 Skrevet 23. mars 2016 Takker for svar. I transiente situasjoner vil induktansene oppføre seg annerledes. De er frekvensavhengig, og i transient sammenheng består frekvensen av flere ulike harmoniske og er ikke sinusformet. Kort fortalt. Takk, det gjev faktisk meining. Då desse ikkje er sinusforma kan ein altså ikkje bruke "phasors" korrekt? Då "phasor metoden" kun gjeld steady states sinusoidals, ein må då ty til verktøy som t.d. laplace for å løyse slike problem? Og det er derfor ein ikkje får med transients i kretsen ovanfor då ein ofte løyser denne med hjelp av phasors? Kom over ein ekvivalent krets som skal gjelde sjølv for transient mode (sjå bilete under). Det som er annleis her er det som er inne i den raude firkanten. Eg lurer litt på kva dette inne i den raude firkanten representerar? Representerar den raude firkanten den induserte spenninga i rotor grunna relativ bevegelse mellom rotor og roterande magnetfelt i stator, , viss denne påstanden er rett, kvifor er ikkje denne emf'en inkludera i den ekvivalente kretsen for steady state? dynamic_model.PNG Når system ikke lenger er steady state så kan man bruke noe som kalles symmetriske komponenter. Dette er så vidt jeg vet ikke pensum på høyskoler, men vi benytter det masse på universitetet. Det som skjer er at vi deler opp et usymmetrisk system til tre ulike symmetriske system og får dermed 3 sett med phasors. De tre systemene heter positiv sekvens, negativ sekvens og nullsekvens. Den siste er strøm som går til jord. Negativ sekvens er et system som roterer mot positiv sekvens og bidrar til bremsende moment på maskinen etc. I tillegg inneholder den en del harmonisk osv. Dette er litt komplisert å forklare i en kort forumtråd
KurtKort Skrevet 23. mars 2016 Forfatter Skrevet 23. mars 2016 (endret) Når system ikke lenger er steady state så kan man bruke noe som kalles symmetriske komponenter. Dette er så vidt jeg vet ikke pensum på høyskoler, men vi benytter det masse på universitetet. Det som skjer er at vi deler opp et usymmetrisk system til tre ulike symmetriske system og får dermed 3 sett med phasors. De tre systemene heter positiv sekvens, negativ sekvens og nullsekvens. Den siste er strøm som går til jord. Negativ sekvens er et system som roterer mot positiv sekvens og bidrar til bremsende moment på maskinen etc. I tillegg inneholder den en del harmonisk osv. Dette er litt komplisert å forklare i en kort forumtråd Eg har lest litt om desse metodane (trur eg). I dynamisk modellering av induksjon maskinar har eg lest at ein utfører ein transformasjon (Clarke transformasjon), og viss ein motor vært mata av balansert supply kan ein dermed ikkje tenke på nullsekvenskomponenten og ein står dermed att med ein 2 fase modell av maskina. Frå kan ein då ta ein dq transformasjon (Park transformasjon) slik at koordinatsystemet beveger seg likt med rotoren. Viss ein har gjort alt dette, kan ein då bruke vanlege "phasor metodar" for å reikne ut diverse i dq koordinatsystem og deretter transformere tilbake til , deretter tilbake til vanleg 3 fase slik at ein ser transient oppførsel? Endret 23. mars 2016 av KurtKort
Twinflower Skrevet 23. mars 2016 Skrevet 23. mars 2016 Clarke/park benyttes i regulering. Det er ikke det samme som symmetriske komponenter. 1
KurtKort Skrevet 23. mars 2016 Forfatter Skrevet 23. mars 2016 Clarke/park benyttes i regulering. Det er ikke det samme som symmetriske komponenter. Ok, då har eg bomma litt. Men det du fortel om positiv-, negativ- og nullsekvens, ein får då 3 kretsar som ein kan løyse med hjelp av phasors som kombinert samsvarar med eit ubalansert system, greit nok. Men istaden for å bruke desse 3 sekvensane og 3 phasor kretsar, kan ein ikkje skrive opp likningane for kretsen i første post i tidsdomene og deretter løyse dei med hjelp av laplace, vil ein ikkje då kunne sjå korleis motoren oppførar seg i transient mode?
Twinflower Skrevet 23. mars 2016 Skrevet 23. mars 2016 Clarke/park benyttes i regulering. Det er ikke det samme som symmetriske komponenter. Ok, då har eg bomma litt. Men det du fortel om positiv-, negativ- og nullsekvens, ein får då 3 kretsar som ein kan løyse med hjelp av phasors som kombinert samsvarar med eit ubalansert system, greit nok. Men istaden for å bruke desse 3 sekvensane og 3 phasor kretsar, kan ein ikkje skrive opp likningane for kretsen i første post i tidsdomene og deretter løyse dei med hjelp av laplace, vil ein ikkje då kunne sjå korleis motoren oppførar seg i transient mode? Nå høres det mer ut som du bare kaster ut begreper du ikke forstår i hytt og pine... Går du på skole eller har du lest selv på nettet?
Anbefalte innlegg
Opprett en konto eller logg inn for å kommentere
Du må være et medlem for å kunne skrive en kommentar
Opprett konto
Det er enkelt å melde seg inn for å starte en ny konto!
Start en kontoLogg inn
Har du allerede en konto? Logg inn her.
Logg inn nå