Gå til innhold
Trenger du skole- eller leksehjelp? Still spørsmål her ×

Eksamensoppgave fra 2017 (øving til eksamen 2023)


Anbefalte innlegg

Skrevet

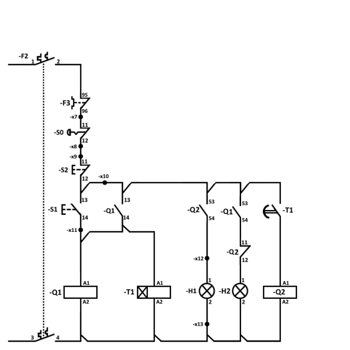
vi har fått utdelt et oppgave sett hvor den ene oppgaven er som følgende: "En lampe skal lyse i 30 sek før viften starter (etter start knappen er trykt inn), oppgaven skal utføres som Kontaktor styring. En grønn lampe skal lyse når motoren går og en rød lampe skal lyse når motoren står"

-F2 = styrestrømsikringen
-F3 = motorvernet til motoren
-S0 = NØDstopp
-S2 = Stoppknapp
-S1 = Startknapp
-Q1 = kontaktor 1 (hjelpekontaktor)
-Q2 = Kontaktor (den som styrer motoren)
-T1 = Tidsrelee med forsinket 30 sek
-H1 = lampe når motoren går
-H2 = Lampe som skal lyse i 30 sek før motoren starter så slokkes

Jeg har prøvd meg frem men klarer ikke helt å forstå hvordan jeg skal få lyset til å stoppe å lyse når motoren har startet

tidsrelee kontaktor styring forsøk eksamen.png

Opprett en konto eller logg inn for å kommentere

Du må være et medlem for å kunne skrive en kommentar

Opprett konto

Det er enkelt å melde seg inn for å starte en ny konto!

Start en konto

Logg inn

Har du allerede en konto? Logg inn her.

Logg inn nå
×
×
  • Opprett ny...