Barcarolle Skrevet 18. desember 2006 Skrevet 18. desember 2006 Mulig dette er veldig tåpelig, men er ganske fersk på dette området. Bare for moroskyld har jeg lyst å lage en liten krets som øker lyset på en lampe når det blir mørkere ute. Har bare sett resistanser som gjør det motsatte. dvs har mindre resistans jo mer lys. Evt. hvis det ikke finnes slike resistanser, er det noen som har en krets jeg kan bruke?
jonnor Skrevet 18. desember 2006 Skrevet 18. desember 2006 Alle lydfølsomme motstander får mindre mostand når du kopler de til, så du vil trenge en krets som gjør om dette. Du ville uansett ikke kunnet kople til en lampe i serie med mostanden, selv om den gikk "riktig vei". Ønsker du av/på eller en jevn øktning i lysstyrke? Og hva slags lampe skal du kople på? AC/DC ?
just-_-me Skrevet 18. desember 2006 Skrevet 18. desember 2006 kanskje denne kan brukes: http://www.ee.latrobe.edu.au/~gt/ele12edp/...beam-sensor.pdf
Barcarolle Skrevet 18. desember 2006 Forfatter Skrevet 18. desember 2006 (endret) vet at jeg ikke kan denne resistansen i serie med en lampe. må vel ha en transistor som skrur på en større spenning på kommando fra denne svake, eller er jeg på jordet? ønsker jevn økning. hadde tenkt å bruke ac, men bruker dc hvis det blir vanskeligere. tar det letteste Hvordan blir forresten kretsen som gjør om til øking av resistans ved økt lys. Endret 18. desember 2006 av Jensemann4
jonnor Skrevet 18. desember 2006 Skrevet 18. desember 2006 (endret) Joda, det er en god idè og er ved grunnsprinnsippene man bruker, men kanskje ikke optimal pga at ved forskjellige lampetyper, temperatur osv, vil resultatene dine være veldig forskjellige. Dersom du kan bruke DC og relativt lav spenning foreslår jeg at du bruker en spenningsregulator med LDR i tilbakekoplingen. Dette er en meget enkel og billig løsning, men har også sine begrensninger (ang effekt-tap hovedsaklig). Skal komme med skjema EDIT: Hva slags effekter snakker vi her? Vanlige lamper ala 60W/230V eller? EDIT2: Kretsen viser prinsippet for kopling av ulinjære motstander for å få en positiv eller negativ spenningskurve. Legg merke til at resistansen i LDR fortsatt har en negativ funksjon, men at koplingen gjør at vi kan hente ut en spenning som er omvendt proposjonal med denne motstanden. Endret 18. desember 2006 av NorthWave
Barcarolle Skrevet 18. desember 2006 Forfatter Skrevet 18. desember 2006 (endret) tja, jeg har vel ikke akuratt lampen klar. Men la si jeg bare bruker en knøttepære på 12 v 0,2 a. likestrøm Edit: jeg har en følelse av at dette blir litt vanskeligere enn jeg hadde tenkt meg, noen som har kjennskap til hvordan dette skal kobles. Evt. et bilde av en krets? Takker for alle forslag på forhånd Endret 18. desember 2006 av Jensemann4
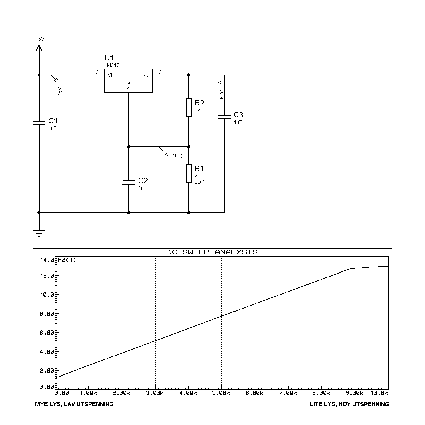
jonnor Skrevet 18. desember 2006 Skrevet 18. desember 2006 Prinsippskjema for enkel krets som vil fungere fint til lave DC effekter. Opptil 1A ut. Ønskes litt mere guff, kan det tilkoples en ekstern effekt-transistor (se datablad på LM317). Ved å kople inn noen opamper i tilbakekoplingen kan man tilpasse litt mer, men ser ikke nødvendigheten i denne sammenheng. Ønskes høyere uteffekter på DC bør switchregulatorer brukes. Faktisk skulle denne koplingen her også gjelde for NationalS. sine "Simple Switcher" og vil redusere effektomsetning i regulatoren ved høye spenningsdifferanser betraktelig. En AC-løsning for noe slikt klarer jeg desverre ikke helt å se for meg i hodet, det måtte i såfall bli en modifisert dimmerløsning e.l.
drKeno Skrevet 19. desember 2006 Skrevet 19. desember 2006 Hei Her er et skjema som bruker rele. (Likespenning) Bytt ut rele med lampe, og med litt prøving (regning ) på R2/R3, vil denne kunne justeres fint. Dersom lampa trekker mye effekt, trenger du en større transistor, evt. kjøleplate... (Tegningen er sakset fra Tony van Roon)
Barcarolle Skrevet 19. desember 2006 Forfatter Skrevet 19. desember 2006 (endret) Hvor får jeg tak i LDR motstand, med andre ord da en lysfølsom resistans. Og hvor mye strøm må sendes inn i basen på en transistor. Dette varierer kanskje? dette her er ca. sånn jeg tenkte meg. Har googlet litt, og så ut som denne løsningen skulle være brukbar Uten_navn.bmp Prinsippet vil vel bli at jo mindre resistans det er i LDR motstanden, jo mer vil strømmen flyte gjennom den istedefor transistoren. Altså vil ikke transistoren bli påvirket siden strømmen tar den letteste veien ut. Er jeg helt på jordet nå, eller skal denne løsningen kunne brukes? Jeg er ikke helt sikker på verdiene, på motstander transistor, og alt det der. Noen inspill. Endret 19. desember 2006 av Jensemann4
jonnor Skrevet 19. desember 2006 Skrevet 19. desember 2006 (endret) Kretsen du har tegnet opp er egentlig kliss lik den som drKeno kom med Bare at du har utelatt den variable mostanden. Og det vil fungere dersom du finner passende komponenter. På transistorene er det en effekttransistor du trenger, feks en med TO220 kappe eller TO3. Dette er transistorer som er beregnet for å takle store strømmer. Så finner du en som tåler den kollektorstrømmen du ønsker. I ditt tilfelle trenger du en NPN. Jeg ville valgt en Darlington pga høyere strømforsterkning, og dermed mindre bas-strøm. Eks: BD649 eller TIP121 Når det gjelder motstandsverdier må du først ha valgt ut en spesifikk transistor og fotoresistor, for at man skal kunne beregne noe nøyaktig. Samtidig må du finne ut hvor stor tilførselsspenning du vil jobbe med og hvordan last du har. Nettopp fordi det er så mange variabler foretrekker jeg en regulert løsning som den jeg foreslo lenger oppe. En transistors ulinjaritet kan forsterke den ulinjariteten du allerede har i LDR'en (de er langt fra linjære) og er kanskje mer egnet som brytere enn regulatorer. Desverre er det ganske vanskelig å få tak i LDR, da fototransistorer har tatt veldig mye over. Men www.futurlec.com har ihvertfall. Eneste jeg vet om. Du kan jo høre med videregående skoler i nærheten eller kanskje verksteder for elektronisk utstyr. EDIT: transistoren kan forøvrig motvirke ulinjariteten i LDR'en også. Hum, kanskje strømspeil ved hjelp av fototransistor ville vært noe? Har ikke så mye erfaring med fototransistorer, men det ville jo i såfall blitt en enkel, meget linjær og ikke minst stabilisert strømforsyning. Endret 19. desember 2006 av NorthWave
-Shark- Skrevet 19. desember 2006 Skrevet 19. desember 2006 (endret) NTC, LDR og PTC motstander. Det er noen morsome motstander. I ditt tillfelle, LDR. Endret 19. desember 2006 av -Shark-
Barcarolle Skrevet 19. desember 2006 Forfatter Skrevet 19. desember 2006 (endret) Kretsen du har tegnet opp er egentlig kliss lik den som drKeno kom med Bare at du har utelatt den variable mostanden. Og det vil fungere dersom du finner passende kompone men hvorfor er det plassert en diode, ved releet? hehe, ok. men mener du det vil bli veldig vanskelig å finne komponenter. transistorer og motstander (ikke LDR vel og merke) har de på clasern. vet ikke om de er brukbare, eller? Men hvilke problemer oppstår når det er ulinjært? Endret 19. desember 2006 av Jensemann4
Luske_Ludvig Skrevet 19. desember 2006 Skrevet 19. desember 2006 Diode ved rele: Spolen genererer en spenning når transistor bryter krets. Dioden kortslutter denne spenningen for å beskytte transitor.
Barcarolle Skrevet 19. desember 2006 Forfatter Skrevet 19. desember 2006 ok, det var egentlig det jeg trodde. Har hørt om samme saken med kondensatorer.
jonnor Skrevet 19. desember 2006 Skrevet 19. desember 2006 Problemene som oppstår når det er ulinjært er at en liten forandring av lysstyrke kan forårsake en stor forandring i spenningen over lampen din, og ikke bli jevn på samme måten som du ønsker. LDR'en er det eneste som er vanskelig å få tak i, ellers kan du bruke veldig standard komponenter. Det gjelder bare å eksprimentere seg frem til verdier som fungerer for deg og din applikasjon.
Barcarolle Skrevet 19. desember 2006 Forfatter Skrevet 19. desember 2006 (endret) takker for alle inspill. Kom gjerne med fler. Jeg tenker jeg bestiller dette i kveld. Tok med tre av hver, bare i tilfelle Den fotocellen har en resistans på 3 kOhm i lys. Dvs. 3000 Ohm. Tar jeg feil? Altså vil fotocelleresistansen bli på 3 kOhm i lyset. Transistoren er av typen Darlington TIP121. Også som pære tenker jeg meg en liten en på ca 12 v 0,2 a. Strømkilden blir på 12 v. antall max amp på den er 7. Hvordan blir det med ekstra motstander? Endret 19. desember 2006 av Jensemann4
Anbefalte innlegg
Opprett en konto eller logg inn for å kommentere
Du må være et medlem for å kunne skrive en kommentar
Opprett konto
Det er enkelt å melde seg inn for å starte en ny konto!
Start en kontoLogg inn
Har du allerede en konto? Logg inn her.
Logg inn nå