storken Skrevet 25. februar 2006 Forfatter Skrevet 25. februar 2006 potensiometerne: 64-634-75 3 stk (disse har bare en omdreining) finner ikke slike "opperasjons forsterkere"? hva tror du kan være ett passende søkenavn på elfa? grunnen til att jeg ikke bruker de høytalerne er att det foregår ett prosjekt på skolen der vi skal lage en egenvalgt ting i sløyden. jeg skal da lage en basskasse med 4" høyttaler, uvreaktivt pleksiglass, og 10 UV led.
Brusfantomet Skrevet 25. februar 2006 Skrevet 25. februar 2006 (endret) hmm, er ikke sikker på hva som kan være et passende søkenavn (svensekn min er ikke av de stødigste) Strømmen til uv lysene, hvordan skal du fikse det? du kan mye mulig bruke samme kilde til opp ampene. Ville først prøvd uten buffer trinn og med bare en kanal, og lage buffertrinnet hvis du får tid. Edit: de potene så greie ut de, bare husk at hvis du skrur det helt opp ellet helt ned så funker det dårlig, det er bare et lite vindu som ikke kommer til og frvrenge. fester du en 10 k motsatnd på vær side av pot meteret kommer du bedre ut (da går du fra 0.5 forsterkning til 2) Endret 25. februar 2006 av Brusfantomet
storken Skrevet 25. februar 2006 Forfatter Skrevet 25. februar 2006 hmm, er ikke sikker på hva som kan være et passende søkenavn (svensekn min er ikke av de stødigste) kanskje uppamp? Strømmen til uv lysene, hvordan skal du fikse det? du kan mye mulig bruke samme kilde til opp ampene. har en transformator her: input: 230V~50hz output: 12V = 400mA 4.8Va (hva står 4.8Va for?) leds'ene kommer til å bruke omtrent 70mA så da har jeg 330mA igjenn. men trenger opp ampene en annen strømkilde? trodde de ikke trengte noen spenning utenfra. skal legge ut tegning av led'ledningsnettet. Ville først prøvd uten buffer trinn og med bare en kanal, og lage buffertrinnet hvis du får tid. men gir dette meg mindre lyd? eller minsker lydkvaliteten? Edit: de potene så greie ut de, bare husk at hvis du skrur det helt opp ellet helt ned så funker det dårlig, det er bare et lite vindu som ikke kommer til og frvrenge. fester du en 10 k motsatnd på vær side av pot meteret kommer du bedre ut (da går du fra 0.5 forsterkning til 2) forvrenger potene lyden? da går du fra 0.5 forsterkning til 2 forsterker du lyden da?
storken Skrevet 25. februar 2006 Forfatter Skrevet 25. februar 2006 (endret) her er koblingsskjemaet til leds'ene: Edit: ledene er på 5V hver og den rosa tingen i midten er en motstand som skal fjerne 2V jeg vet enda ikke hvilken motstand jeg skal bruke Endret 25. februar 2006 av storken
Brusfantomet Skrevet 25. februar 2006 Skrevet 25. februar 2006 (endret) ok: førte treff på "upp" LM 6134 (ellfa nummer:73-268-08) fire opp amper i en pakke, passer bra. 4,8 VA står for Volt Ampere, det er volt*ampere som trafoen klarer og levere (ikke det samme som watt, da den ikke er hunder prosent effektiv. opp ampene trenger ikke noen annen strømkilde, bare den er sterk nok. det går kansje ann og bruke powern til forsterkerene. Det minsker ikke lydkvaliteten om du skipper bufferen. Pottene forvrenger ikke lyden, men hvis de skrus på for mye så forsterker opp ampene så mye at de forvrenger lyden. Ja da blir lyden forsterket (to ganger, 3 dB, dobblet så høyt) til halvert (bare halvparten av det som kommer inn kommer ut, - 3 dB) Dy trenger trolig en likeretterbru og noen kondensatorer til den trafoen skal den drive ledsene, da leds helst går på likestrøm og trafoen bare gir veksel, setter du dem rett på trafoen får kommer de til og blinke med en hastighet på 50 Hz. Om de tåler 35 V imot. Endret 25. februar 2006 av Brusfantomet
storken Skrevet 25. februar 2006 Forfatter Skrevet 25. februar 2006 (endret) førte treff på "upp"LM 6134 (ellfa nummer:73-268-08) fire opp amper i en pakke, passer bra. den var grei ja vet du hvor mye spenning en mp3 spiller leverer? kommer det til å gå bra? Dy trenger trolig en likeretterbru og noen kondensatorer til den trafoen skal den drive ledsene, da leds helst går på likestrøm og trafoen bare gir veksel, setter du dem rett på trafoen får kommer de til og blinke med en hastighet på 50 Hz.Om de tåler 35 V imot. tror den er dc... her har du ett bilde: Edit: trafo = transformator? Endret 25. februar 2006 av storken
Brusfantomet Skrevet 25. februar 2006 Skrevet 25. februar 2006 (endret) Det er like, altså er det likeretterbru og kondensatorer inni den boksen (med mindre det er en switsha power) den leverer 12 volt ut og det er det viktigste. har du databladet til de ledsene? hvis du har det kunne jeg ha regna ut motsandene for deg. Det skal sies at de muligens tåler 6 Volt vær. Trafo = transformator ja. Foesten, hvilken klasse går du i? Endret 25. februar 2006 av Brusfantomet
storken Skrevet 25. februar 2006 Forfatter Skrevet 25. februar 2006 (endret) her har du link til ledene: LINK jeg går i 10klasse Edit : jeg kjører ikke ledene på 6 volt da minskes levetiden betraktelig og var det dc på den trafoen? Endret 25. februar 2006 av storken
Brusfantomet Skrevet 26. februar 2006 Skrevet 26. februar 2006 ville gått for en 270 ohms motsand, 60-104-25. Ja det er DC/likestrømm på den trafoen.
storken Skrevet 26. februar 2006 Forfatter Skrevet 26. februar 2006 ville gått for en 270 ohms motsand, 60-104-25. Ja det er DC/likestrømm på den trafoen. 5666170[/snapback] hvor mye volt får hver led da? og hvordan er egentlig formelen? (må lære meg dette vettdu)
Brusfantomet Skrevet 26. februar 2006 Skrevet 26. februar 2006 Ok: vær led drar ved 5 V 7,4 mA U = 5 V I = 0,0074 A U / I = R 5 V / 0,0074 A = 675,675675osv = 675 ohm R = 675 ohm vi skal ha 2 volt over motsanden ( 12 V - 5 V * 2 = 2 V) Ul = U over led Ur = U over motsand Rl = motsan over led Rr = motsanen Rl / Ul * Ur = Rr 675 / 5 V* 2 V = 270 hom Det er slik jeg regnet det ut, man kan også gjøre: Ur / Ir = Rr 2 V / 0,0074 A = 270,270270osv = 270 ohm. Da får hver led 5 Volt
storken Skrevet 26. februar 2006 Forfatter Skrevet 26. februar 2006 elfa har ikke inne disse 64-634-75 det er trimpotiometre kan jeg ta 20k eller 50k istedenfor 10k? hva blir isåfall forskjellen?
Brusfantomet Skrevet 26. februar 2006 Skrevet 26. februar 2006 ta 20 hvis de ikke har 10 inne du, eneste forskellen er at hvis du skal lage den idiotsikker må du bruke noen andre motstander sammen med potmeteret
storken Skrevet 26. februar 2006 Forfatter Skrevet 26. februar 2006 ta 20 hvis de ikke har 10 inne du, eneste forskellen er at hvis du skal lage den idiotsikker må du bruke noen andre motstander sammen med potmeteret 5667774[/snapback] idiotsikker? hva er egentlig forskjellen mellom 10k og 20k? slipper 20k igjennom dobbelt så mye strøm på maks?
stoffix Skrevet 26. februar 2006 Skrevet 26. februar 2006 nei, 10k slipper igjennom dobbelt så mye strøm på maks, for å si det slik, dvs, at hvis du setter begge pot'ene på maks resistans, så er det slik, men skrur du begge pot'ene ned på minst resistans, så har begge tilnærmet 0 ohm, og begge slipper igjennom like mye strøm. for ditt bruk, så vil du ikke merke særlig forskjell på 10k og 20k tror jeg.
storken Skrevet 26. februar 2006 Forfatter Skrevet 26. februar 2006 nei, 10k slipper igjennom dobbelt så mye strøm på maks, for å si det slik, dvs, at hvis du setter begge pot'ene på maks resistans, så er det slik, men skrur du begge pot'ene ned på minst resistans, så har begge tilnærmet 0 ohm, og begge slipper igjennom like mye strøm. for ditt bruk, så vil du ikke merke særlig forskjell på 10k og 20k tror jeg. 5668388[/snapback] ok bestiller imorra eller idag tror jeg
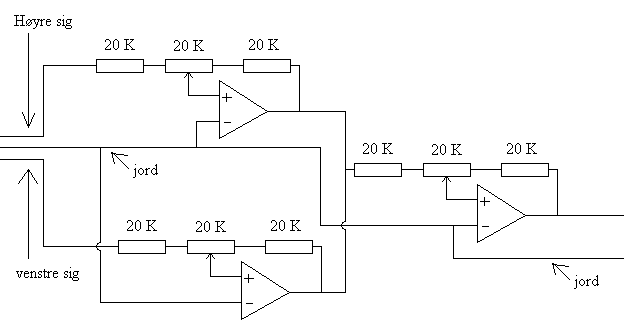
Brusfantomet Skrevet 26. februar 2006 Skrevet 26. februar 2006 Hvis du skal bruke buffer trinnet (noe jeg bare ville ha lagt til hvis det var tid igjen) så burde du lage det slik: sikkert_buffer_trinn.bmp Da kan du skru alt du ønsker uten at det blir alt for mye problemer.
storken Skrevet 27. februar 2006 Forfatter Skrevet 27. februar 2006 jeg har allerede bestilt fra elfa så det er for sent nå. men hvordan er det med den andre buffertrinnet? er det ikke like sikkert?
Brusfantomet Skrevet 27. februar 2006 Skrevet 27. februar 2006 hvis du skrur potmeteret helt opp vil opp ampen forvrenge nesten 100 % av signalet, og skrur du den helt ned forsvinner alt av signal
storken Skrevet 27. februar 2006 Forfatter Skrevet 27. februar 2006 (endret) hvis du skrur potmeteret helt opp vil opp ampen forvrenge nesten 100 % av signalet, og skrur du den helt ned forsvinner alt av signal 5672747[/snapback] men trenger jeg i det hele tatt potmetre da? det er jo volumkontroll på forsterkerne også? men kan jeg bruke ett potmeter til å regulere all lyden? feks hvis jeg setter begge forsterkerne på 80% og har ett(ell 2) potmeter mellom forsterkerne og høytalern slik att jeg kan regulere lyden? eller hva skjer om jeg har 20% ytelse på forsterker 1 og 50% ytelse på forsterker 2? funker det? Endret 27. februar 2006 av storken
Anbefalte innlegg
Opprett en konto eller logg inn for å kommentere
Du må være et medlem for å kunne skrive en kommentar
Opprett konto
Det er enkelt å melde seg inn for å starte en ny konto!
Start en kontoLogg inn
Har du allerede en konto? Logg inn her.
Logg inn nå