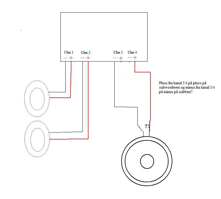
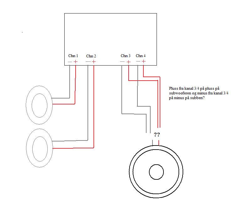
SuperSjantis Skrevet 28. september 2010 Skrevet 28. september 2010 Jeg har satt inn ny CD-spiller i bilen, nytt frontsett (mellomtone/diskant, kjøres via spilleren). Har trukket remote + strøm til forsterker i bagasjerom som er jordet. Forsterkeren er en 4-kanaler Boss (2ohm). Denne drar 2 stk JBL Decade 6*9 (av gamle typen) og en Pioneer TS-W301 12" sub på 150W RMS (4ohm) Veldig gammel, men meget grom. Jeg vil gjerne få en forklaring på hvordan man kobler ned ohm, uten at jeg helt vet hvordan jeg skal formulere meg. Jeg kobler kanal 1/2 til 6*9erene, og 3/4 til Subwooferen. Hvordan kobler jeg ? +fra 3/4 til + på subben, og -fra 3/4 til - på subben? Om noen forstår hva jeg mener, vennligst svar. Skal formulere meg bedre etter en god natts søvn-.-
cossiemk1 Skrevet 29. september 2010 Skrevet 29. september 2010 Kanal 3 og 4 må brokobles, og det borde stå på forsterkeren hvordan du gjør det. Som regel så er det pluss fra kanal 3 og minus fra kanal 4 du skal bruke
SuperSjantis Skrevet 29. september 2010 Forfatter Skrevet 29. september 2010 Jeg vet ikke engang hvordan jeg brokobler. Jeg kan vel kanskje ikke sette meg ned å tvinne kabler heller:p
nahojdat Skrevet 30. september 2010 Skrevet 30. september 2010 Du kan ikke koble deg ned i ohm uten elementer å gjøre det med. F.eks 2stk av de 12" paralellkoblet hadde blitt 2ohm last. Men brokoble kan du, hva heter forsterkeren mer enn Boss?
cossiemk1 Skrevet 30. september 2010 Skrevet 30. september 2010 Jeg vet ikke engang hvordan jeg brokobler. Jeg kan vel kanskje ikke sette meg ned å tvinne kabler heller:p Så du skjønte ikke hva jeg skrv over her?? Se på utgangene på forsterkeren da, kanskje det står der??
KKake Skrevet 30. september 2010 Skrevet 30. september 2010 Det heter lavere motstand, ikke lavere ohm!
SuperSjantis Skrevet 30. september 2010 Forfatter Skrevet 30. september 2010 Det heter lavere motstand, ikke lavere ohm! Javel. Jeg vet ikke engang hvordan jeg brokobler. Jeg kan vel kanskje ikke sette meg ned å tvinne kabler heller:p Så du skjønte ikke hva jeg skrv over her?? Se på utgangene på forsterkeren da, kanskje det står der?? Joda, jeg kan lese. Det står ingenting på forsterkeren. Du kan ikke koble deg ned i ohm uten elementer å gjøre det med. F.eks 2stk av de 12" paralellkoblet hadde blitt 2ohm last. Men brokoble kan du, hva heter forsterkeren mer enn Boss? Navnet er skrapt bort, men jeg vet at den er gammel. Det som står er; Boss Mosfet 4-way. 4*150w 2ohm =)
cossiemk1 Skrevet 30. september 2010 Skrevet 30. september 2010 Det skal være ca sånn her: Men den forsterkeren er ikke sterk nok til å drive suben skikkeli
SuperSjantis Skrevet 30. september 2010 Forfatter Skrevet 30. september 2010 Det skal være ca sånn her: Men den forsterkeren er ikke sterk nok til å drive suben skikkeli Mkay, takk for svar
Anbefalte innlegg
Opprett en konto eller logg inn for å kommentere
Du må være et medlem for å kunne skrive en kommentar
Opprett konto
Det er enkelt å melde seg inn for å starte en ny konto!
Start en kontoLogg inn
Har du allerede en konto? Logg inn her.
Logg inn nå