entonic Skrevet 27. november 2005 Skrevet 27. november 2005 har et prosjekt på skolen der vi skal lage noe som går på strøm. jeg og en kompis skal lage en bil med litt stash. har kjøpt to motorer og to treveis brytere ala denne. spørsmålet til dere elektrikere er hvordan må jeg koble den til motoren for å kunne kjøre den forover og bakover?.
buskmann Skrevet 28. november 2005 Skrevet 28. november 2005 Koble den til batteriet du. Når du skal rygge, så bare snur du batteriet. Genial Egon!
Hondaen Skrevet 28. november 2005 Skrevet 28. november 2005 Anbefaler deg å kjøpe ny bryter. Denne gangen kjøper du en topolt vippebryter med til-fra-til funksjon. Disse bryterene har 6 pinner. +- fra batteriet kobler du på de to midterste pinnene +- fra motoren kobler du på de til høyre. -+ fra motoren kobler du de til venstre. Evt. kan du bruke den eksisterende bryteren din til å styre 2 stk rele som hver har 2 stk vekslende normalt åpne arbeidskontakter.
entonic Skrevet 28. november 2005 Forfatter Skrevet 28. november 2005 det vil si at jeg ikke kan bruke den switchen jeg har?? hvor kan jeg få tak i en sånn greie som du sa hondaen.
Behydro Skrevet 28. november 2005 Skrevet 28. november 2005 Ta deg en tur tilbake på clas: 2-polet veksling til-fra-til Denne skulle fikse biffen
entonic Skrevet 28. november 2005 Forfatter Skrevet 28. november 2005 (endret) Ta deg en tur tilbake på clas: 2-polet veksling til-fra-til Denne skulle fikse biffen 5219781[/snapback] hvilken av dem?? nr: EDIT: vil helst bruke det jeg har. så vis dere har en løsning på det så hadde det vært veldig bra. Endret 28. november 2005 av Entonic
Behydro Skrevet 28. november 2005 Skrevet 28. november 2005 den som heter: 2-polet veksling til-fra-til........ hint hint nr: 12-690 Du kan bruke de du har, men da må du bevege på begge to samtidig, hvis du gjør det feil så blir det kortsluttning
entonic Skrevet 28. november 2005 Forfatter Skrevet 28. november 2005 jeg skal kjøre to separate kretser med en motor og en bryter. hvordan må det kobles??.
Behydro Skrevet 29. november 2005 Skrevet 29. november 2005 Jeg må bare beklage for den dårlige skissen, men er på jobb og har ikke noe program å tegne skikklig med. Denne her blir en dreieretningsvender, men du må passe på å bytte om på begge bryterene samtidig, hvis ikke blir det kortslutning for alle penga
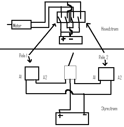
Hondaen Skrevet 29. november 2005 Skrevet 29. november 2005 Enda en kjapp skisse :-D Evt. kan du gjøre som dette. Den bryteren du har kjøpt styrer to stk rele. Disse releene har begge to vekslene kontakter (normalt åpne). A1 og A1 er tilførselspenning til spolen til releene.
entonic Skrevet 30. november 2005 Forfatter Skrevet 30. november 2005 det skjønte jeg mild sagt ikke en drit av. så jeg tror jeg vet hva jeg gjør. takk for hjelpen anyway.
Anbefalte innlegg
Opprett en konto eller logg inn for å kommentere
Du må være et medlem for å kunne skrive en kommentar
Opprett konto
Det er enkelt å melde seg inn for å starte en ny konto!
Start en kontoLogg inn
Har du allerede en konto? Logg inn her.
Logg inn nå