Malin10 Skrevet 12. mars 2012 Skrevet 12. mars 2012 Skal koble opp to motorer som skal styres fra pls via skjermsparer system. Motor 1 skal kobles i stjerne/trekant og motor 2 i trekant.. Motor 2 kan kun gå når motor 1 allerede er i gang.. Trenger hjelp til hvordan jeg skal tegne styrestrøm.. Og hva ligger jeg inn i pls programmet for at motor 2 kun skal kunne gå når motor 1 går?
fiskercool Skrevet 12. mars 2012 Skrevet 12. mars 2012 Skal koble opp to motorer som skal styres fra pls via skjermsparer system. Motor 1 skal kobles i stjerne/trekant og motor 2 i trekant.. Motor 2 kan kun gå når motor 1 allerede er i gang.. Trenger hjelp til hvordan jeg skal tegne styrestrøm.. Og hva ligger jeg inn i pls programmet for at motor 2 kun skal kunne gå når motor 1 går? Nå er det lenge siden jeg har drevet med PLS, men ang. "Og hva ligger jeg inn i pls programmet for at motor 2 kun skal kunne gå når motor 1 går?" Kan du ikke ha noe som dette(ladder); Nå er ikke dette en komplett tegning, men via den tegningen må motor 1 være på, for at motor 2 skal gå. Men som sagt, godt over tre år siden jeg holdt på med PLS sist.
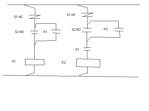
Nightshaft Skrevet 21. mars 2012 Skrevet 21. mars 2012 Skal koble opp to motorer som skal styres fra pls via skjermsparer system. Motor 1 skal kobles i stjerne/trekant og motor 2 i trekant.. Motor 2 kan kun gå når motor 1 allerede er i gang.. Trenger hjelp til hvordan jeg skal tegne styrestrøm.. Og hva ligger jeg inn i pls programmet for at motor 2 kun skal kunne gå når motor 1 går? Skal alt være pls-styrt eller skal det være styrt av reléer? Har ikke holdt på med dette siden 2007, men dette er det jeg husker: Kontaktorer.bmp I PLS-programmet må du legge inn at når Kontaktoren som styrer motor1 på være på for at motor2 skal kunne kjøre. Dette var en veldig enkel oppgave. I første året på vgs var jeg veldig god i dette. Lagde til å med en system som læreren måtte kopiere opp for å spare på og vise til andre lærere. Nå er nesten alt glemt siden jeg ikke har holdt på med dette på en lang stund. Selv om mye henger igjen. Tror kanskje svaret mitt ble litt seint, vet ikke hvor lang tid man har på fagprøver
Sopps Skrevet 22. mars 2012 Skrevet 22. mars 2012 ladder bruker man for programmering av PLS. styrestrømskjema er ikke det samme. det er skjema med alle rele og funksjoner. enten kan man lage det som et vanlig styrestrømskjema eller ta utgangspunkt i kontaktene til en PLS. sette kontaktorer på utgang og brytere på inngang med påfølgende strømbane for å få en krets.
Nightshaft Skrevet 27. mars 2012 Skrevet 27. mars 2012 Ja, det var det jeg tenkte. ta utgangspunkt i kontaktene til en PLS. Sette kontaktorer på utgang og brytere på inngang med påfølgende strømbane for å få en krets.
Malin10 Skrevet 28. mars 2012 Forfatter Skrevet 28. mars 2012 Takk for svar:) Fikk det til, uten deres hjelp. men uansett takknemlig for at dere tok dere tiden til å svare;)
Anbefalte innlegg
Opprett en konto eller logg inn for å kommentere
Du må være et medlem for å kunne skrive en kommentar
Opprett konto
Det er enkelt å melde seg inn for å starte en ny konto!
Start en kontoLogg inn
Har du allerede en konto? Logg inn her.
Logg inn nå