Gå til innhold
Trenger du skole- eller leksehjelp? Still spørsmål her ×

trenger PLS-hjelp! (Elektro) oppdatert


Anbefalte innlegg

Skrevet (endret)

Heisann alle smartinger!

 

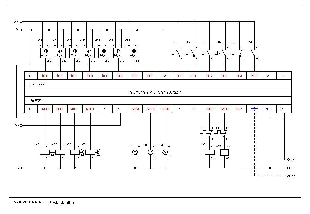
Legger ved to bilder, et ladder-diagram og koblingsskjema for PLS.

Trenger også input på det jeg har gjort:p

 

Oppgaven går iværtfall utpå å installere en vifte på eksisterende transportbånd. Vifta startes samtidig som motoren og stopper et kvarter etter motoren stopper.

 

 

post-227391-0-12260600-1294995046_thumb.png

 

Her er ladder og tilordningslista, jeg har kun satt inn kontaktoren i tilordningslista.

 

Lurer også på om kontakten T37 i Network 4 burde vært invertert.

 

post-227391-0-54626200-1294995114_thumb.jpg

 

Har satt inn kontaktor og motorvern i koblingsskjema, skal jeg sette inn noe mer der?

Endret av Puseknut
Videoannonse
Annonse
Skrevet

Hei.

 

Har ikke jobbet noe særlig med Siemens (S200??), men kan gi det et forsøk. I nettverk 1 så tror jeg det hadde vært fint med en "positiv flanke" på bryter. Det er alltid en sikkerhetsmessig fin ting å ha for å starte anlegget.

 

Det andre som slo meg var nettverk 2 og 5. Invers 1.4 vil her både sette og resette Q0.7 på likt?

 

Kunne det vært en idè å heller prøvd å få lurt inn en set/reset vippe til vifte start og stopp funksjonen?

Opprett en konto eller logg inn for å kommentere

Du må være et medlem for å kunne skrive en kommentar

Opprett konto

Det er enkelt å melde seg inn for å starte en ny konto!

Start en konto

Logg inn

Har du allerede en konto? Logg inn her.

Logg inn nå
  • Hvem er aktive   0 medlemmer

    • Ingen innloggede medlemmer aktive
×
×
  • Opprett ny...