Gå til innhold

Hjelp med kobling av reele


Anbefalte innlegg

Skrevet

Er til en basseng varmer(diesel)som jeg vil forandre litt på styringen..

Enkelt forklart:

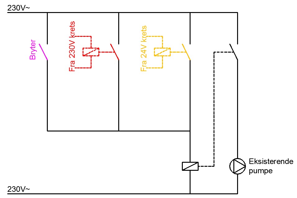
Har en 24v krest og en 230v krest i brenneren,når en eller begge disse er aktive så vil jeg ha et reele til å slå inn,dette skal kjøre en pumpe 230v..

Så vil jeg ha en bryter for å kjøre pumpen manuelt på samme reele,må bruke 230v her..

 

Vil gjøre dette for at det ikke skal være mulig å slå av pumpen før varmeren er nedkjølt,noe den gjør selv etter at den er slått av.(5 min nedkjøling syklus)

 

I dag stå pumpen koblet i en stikkontakt..

Brenneren starter heller ikke i dag vist ikke pumpa går(trykkvakt)

Videoannonse
Annonse
Skrevet

Ville brukt ett 24V relé, ett 230V relé og bryteren til å styre ett eget 230V relé for pumpen, da er alt galvaniskt skilt. Se vedlagte tegning.

post-20365-1280343685,8945_thumb.jpg

Opprett en konto eller logg inn for å kommentere

Du må være et medlem for å kunne skrive en kommentar

Opprett konto

Det er enkelt å melde seg inn for å starte en ny konto!

Start en konto

Logg inn

Har du allerede en konto? Logg inn her.

Logg inn nå
  • Hvem er aktive   0 medlemmer

    • Ingen innloggede medlemmer aktive
×
×
  • Opprett ny...